AS N Type
アルプスツール 標準コレットチャック Ass’y
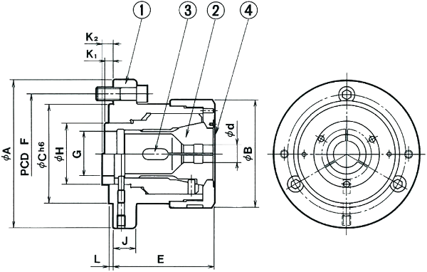
![]() |
| 番号 | 名称 |
| 1 | コレットチャックA’ssy |
| 2 | コレットチャック |
| 3 | 防塵パット |
| 4 | チップカバー |
・ コレットチャックはナット方式のため、ASD、ASF形に比べコンパクトです。<
・ 主軸端にフランジを介して取り付けるタイプです。 本機主軸端形状に合わせたフランジ
を御用意下さい。
・ コレットチャックは当社標準のAS型を使用していますので、シリーズで共通使用
できます。
・ 制止形コレットチャックですので、安定した把握精度が保てます。
・ 防塵パッド・チップカバーの併用により清掃間隔の拡大が図れます。
| 型式 | ||||
| 記号 | 名称・仕様 | 単位・規格 | ASN-S6 | ASN-S8 |
| A | 160 | 199 | ||
| B | 118 | 141 | ||
| C h6 | 110 | 145 | ||
| L | 5 | 5 | ||
| E | 120 | 121 | ||
| F | 133.4 | 170 | ||
| G | ドローチューブ接続ネジ | ※1 | 標準 M52x1.5 | 標準 M75x1.5 |
| H | 75 | 90 | ||
| J | 26 | 27 | ||
| K1 | チャック時 | 8 | 5 | |
| K2 | リ・チャック時 | 11 | 8 | |
| シリンダーストローク | min6 | |||
| 取付穴 | M12穴x3 | M12穴x6 | ||
| d | コレット口径 | 標準 | 6~45 | 8~64 |
| オーバーサイズ | – | 65 | ||
| コレットチャック | 型番 | AS-S6C-d | AS-S8C-d | |
| 防塵パット | 型番 | AS-S6E | AS-S8E | |
| チップカバー | 型番 | AS-S6F | AS-S8F | |
| 許容最大入力 | kN(kgf) | 34.3(3500) | 49.0(5000) | |
| 許容回転数 | min-1 | 4500 | 3500 | |
| 芯振れ精度 | JIS | B級 | ||
| 重量 | kg | 9.5 | 13 | |
備考
- ※1 ドローチューブとの接続ネジGは標準外を御希望の場合はネジサイズを
ご指示下さい。 - ※2 コレットチャック、防塵パット、チップカバーは別途手配品です。
発注時併せてご用命下さい。 (防塵パットは標準口径のみ装着可能です。) - 標準付属品・・・取付用六角穴付ボルト3ヶ(6ヶ)、キャップ着脱レンチ1ヶ、
スリーブ回し用レンチ1ヶ - 防塵、防水対策を追加し、従来品と一部寸法が異なっています。

