クランプホルダ
AQTシステムの本体ユニットです。 ツーリングレイアウトに従って、右勝手・左勝手・両勝手・
シングル(チェンジホルダを1pcのみ取り付け可能)・ダブル(チェンジホルダを2pc取り付け
可能)のユニットを選択します。
シフト型
シフト型は反転することで、ツール突き出し量が2段階で御利用になれます。
![]() |
![]() |
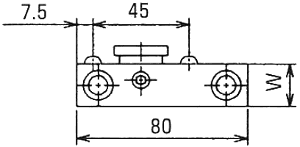
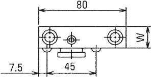
| Fig.1 KY-R□(右勝手) | Fig.2 KY-L□(左勝手) |
![]() |
|
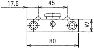
| Fig.3 KY-W□(両勝手) |
![]() |
| 型式 | Fig | W |
| KY-R100 | 1 | 30 |
| KY-R200 | 30 | |
| KY-R300 | 36 | |
| KY-L100 | 2 | 20 |
| KY-L200 | 30 | |
| KY-L300 | 36 | |
| KY-W100 | 3 | 40 |
対称型
![]() |
![]() |
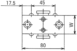
| Fig.1 KY-S□ (シングル) | Fig.2 KY-T□ (ダブル) |
![]() |
| 型式 | Fig | W |
| KY-S100 | 1 | 20 |
| KY-S200 | 30 | |
| KY-S300 | 36 | |
| KY-T100 | 2 | 40 |
備考
- 標準型の他にお客様の御要望に応じて設計製作致します。
お気軽にお申し付け下さい。







