ドリルソケットモールステーパ型
モールステーパドリルに合わせ本品を交換して使用します。
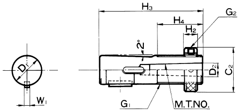
SLB型サイドロックホルダと併用します。 フロントアジャストが可能です。
![]() |
![]() |
DSA□□-MT□
| CODE | D1 | M.T.NO. | D2 | H2 | H3 | H4 | C2 | G1 | G2 | W1 |
| DSA26 – MT1 | 26 | 1 | 12.065 | 12 | 92 | 41 | 39 | TM26×2 | M6 | 5 |
| DSA26 – MT2 | 2 | 17.48 | ||||||||
| DSA26S – MT1 | 1 | 12.065 | 75 | 29 | ||||||
| DSA26S – MT2 | 2 | 17.78 | 73 | |||||||
| DSA35 – MT1 | 35 | 1 | 12.065 | 117 | 47 | 48 | TM35×2 | 6 | ||
| DSA35 – MT2 | 2 | 17.78 | ||||||||
| DSA35 – MT3 | 3 | 23.825 | ||||||||
| DSA48 – MT3 | 48 | 26 | 143 | 62 | 67 | TM48×2 | 8 | |||
| DSA48 – MT4 | 4 | 31.267 | 16 | M8 |


