HSK-E32 C type
![]() |
![]() |
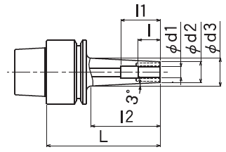
HSK32E-TG□□C-□□ Φ3~Φ4 テーパ角 3.0°
| 型式 | Φd1 | 角度 | 先端肉厚 | L | 対応刃物 | Φd2 | Φd3 | l2 | l | l1 | l4 | 冷却アダプタ |
| HSK32E-TG3C-50 ☆ | 3 | 3 | 4 | 50 | Carbide | 11 | 13.9 | 27.2 | 11 | 11以上 | – | T3-K/3C |
| HSK32E-TG4C-50 | 4 | 12 | 14.9 | T3-K/4C-6M | ||||||||
| HSK32E-TG4C-85 | 85 | 18.5 | 62.2 |
備考
- TG□□C型はセンタースルークーラント非対応です。
- 型式末尾に☆のある品は在庫が無くなり次第、廃止です。


